Skip to main content

41 s10 wiring diagram

95 S10 Wiring Diagram– wiring diagram is a simplified pleasing pictorial representation of an electrical circuit.It shows the components of the circuit as simplified shapes, and the skill and signal friends amongst the devices. A wiring diagram usually gives assistance more or less the relative perspective and deal of devices and terminals upon the devices, to assist in building or servicing ... S10 wiring diagram pdf 1995 s10 wiring diagram pdf 1996 s10 wiring diagram pdf 1997 chevy s10 wiring diagram pdf every electric structure is composed of various unique components. 5 7l 5 7l vin k cruise control circuit. Anti lock brake circuits computer data lines. Collection of 1997 chevy s10 wiring diagram.

Access our free Wiring Diagrams Repair Guide for Chevy S10, S15, and GMC Sonoma Pick-Ups 1982-1993 Repair Manual through AutoZone Rewards. These diagrams include: Fig. 1: Body wiring diagram-1982-83; Fig. 2: Engine control wiring diagram-1982-83 federal emissions; Fig. 3: Engine control wiring diagram-1982-83 California emission 4-cylinder

S10 wiring diagram

S10 wiring diagram

Chevrolet S10 Wiring Diagram. June 29, 2020 · Wiring Diagram. by Anna R. Higginbotham. chevrolet s10 wiring diagram - You will want an extensive, skilled, and easy to understand Wiring Diagram. With this sort of an illustrative guide, you will have the ability to troubleshoot, prevent, and complete your tasks without difficulty. WIRING INFORMATION: 1984 Chevy S-10 Blazer WIRE WIRE COLOR WIRE LOCATION 12V CONSTANT RED Ignition Harness STARTER YELLOW OR PURPLE Ignition Harness IGNITION PINK Ignition Harness ACCESSORY ORANGE Ignition Harness POWER DOOR LOCK (5-wire reverse polarity) LT. BLUE Harness Coming Into Vehicle From Driver’s S10 Wiring Harness Diagram. May 21, 2021 · Wiring Diagram. by Anna R. Higginbotham. s10 wiring harness diagram - You'll need a comprehensive, skilled, and easy to know Wiring Diagram. With this kind of an illustrative manual, you'll have the ability to troubleshoot, stop, and complete your projects without difficulty.

S10 wiring diagram. S10 Wiper Motor Wiring Diagram from schematron.org Effectively read a electrical wiring diagram, one offers to learn how the components inside the program operate. For example , if a module will be powered up and it sends out a new signal of 50 percent the voltage in addition to the technician would not know this, he'd think he has a problem ... Whether your an expert Chevrolet electronics installer or a novice Chevrolet enthusiast with a 2001 Chevrolet S10 Pickup, a car stereo wiring diagram can save yourself a lot of time. One of the most time consuming tasks with installing an after market car stereo, car radio, car speakers, car amplifier, car navigation or any car […] 1999 chevy s10 stereo wiring diagram schematic wiring diagram inside 1991 chevy s10 wiring schematic 1999. We collect a lot of pictures about Chevy S10 Wiring Diagram. and finally we upload it on our website. Many good image inspirations on our internet are the most effective image selection for Chevy S10 Wiring Diagram. . 2 Answers. SOURCE: Engine Wire diagram for S10. go to autozone.com and you can register any type car and they have pretty good prints and service manuals on line. I have an 89 chevy s10 I just rebuilt my motor and overhauled the complete truck just waiting on a new paint job. best of luck. Posted on Nov 28, 2008.

Apr 04, 2019 · S10 Wiring Diagram Pdf — Daytonva150 – S10 Wiring Diagram Pdf In addition, Wiring Diagram provides you with the time body by which the assignments are to become accomplished. You’ll be capable to learn specifically when the assignments ought to be completed, which makes it much easier to suit your needs to effectively control your time. 1997 chevy s10 wiring diagram collection wiring diagram rh magnusrosen net 2000 S10 Pickup Wiring Diagram s10 wiring diagram pdf. s10 wiring diagram pdf s10 free wiring diagrams s10 wiring diagram pdf in addition vacuum diagram for tbi 350 1987 chevy truck in addition 10 fuse wire size further wiring diagram for 1985 ford. Wiring Diagram For 1995 Chevy S10. Print the electrical wiring diagram off and use highlighters to be able to trace the signal. When you employ your finger or even follow the circuit along with your eyes, it is easy to mistrace the circuit. One trick that I use is to print a similar wiring picture off twice. 92 S10 Wiring Diagram- wiring diagram is a simplified welcome pictorial representation of an electrical circuit.It shows the components of the circuit as simplified shapes, and the faculty and signal friends in the midst of the devices.

What Is The Wiring Diagram For A 1991 Chevy S10 Stereo And Are Color Codes To Hook Up An Aftermarket Quora. Chevy s10 ignition system circuit diagram starter motor 1989 chevrolet pickup wiring diagrams part 1 1993 fuel pump tests electrical repair guide blazer er 1985 2 8 98 s 10 the 1947 locate relay on 1994 ebook databases pick up combination location and 1991 stereo serpentine printing from ... Jul 31, 2011 · 85SPLS15. I have all of the 1st gen S10/S15 wiring diagrams in PDF Format. Mods sticky this for ease of access. Just reply via here on the thread or PM me with an Email and I'll be happy to send whatever you need. Each year will come with Body electrical, engine management for each engine *unless requested otherwise via specific engine*. Thanks! Need a wire diagram for a 2002 Blazer floor shift console. Changing from a column shift to a floor shifter and console in my 02 ZR2 pickup. If anyone out there can tell me want I have to do to make this work I would appreciate any help possible. :drinkhaha Apr 04, 2019 · According to previous, the traces at a S10 Wiring Diagram Pdf represents wires. At times, the wires will cross. However, it does not mean connection between the cables. Injunction of 2 wires is generally indicated by black dot in the intersection of 2 lines. There will be main lines that are represented by L1, L2, L3, and so on.

Wiring diagram 2001 s10 fuel pump - Fixya

Wiring diagram 2001 s10 fuel pump - Fixya

91 Chevy S 10 Wiring Diagram Wiring Diagram B6147 S 10 Truck Steering Column Wiring Diagram Digital Resources S10 Tbi 2 5 Wire Diagram Wiring 91 4 3 Wiring Wiring Diagram Amazon Com Stereo Wire Harness Chevy S10 Pickup 87 88 89 Car Austinthirdgen Org Share this post.

Wiring hive 2 to a greenstar junior 28i | DIYnot Forums

Wiring hive 2 to a greenstar junior 28i | DIYnot Forums

1996 Chevy S10 Pickup Stepside V6 4.3 L Wiring Diagram. firing order diagram L v6 chevrolet engine - wiringall.com numbered,,just put the corisponding plug wire to the number on the cap, starting at. Kyle07/10/ · 97 Step-side Vortec w/5 spd. The next Check out a selection of V6 Vortec engines to get your Chevy Tahoe or Suburban back on the road.

GMC Truck Wiring Diagrams on Gm Wiring Harness Diagram 88 ...

GMC Truck Wiring Diagrams on Gm Wiring Harness Diagram 88 ...

S10 Wiring Diagram Pdf – wiring diagram is a simplified within acceptable limits pictorial representation of an electrical circuit. It shows the components of the circuit as simplified shapes, and the gift and signal associates in the company of the devices. A wiring diagram usually gives opinion just about the relative approach and harmony ...

Suzuki GSXR400 1987 (H) GENERAL EXPORT (E01) WIRING ...

Suzuki GSXR400 1987 (H) GENERAL EXPORT (E01) WIRING ...

S10 Wiring Diagram Pdf — Daytonva150 from s10 wiring diagram pdf , source:daytonva150.com. Why don't you consider photograph over? will be in which amazing???. if you feel thus, I'l l teach you many photograph yet again under: S10 Wiring Diagram Pdf — Daytonva150 from s10 wiring diagram pdf , source:daytonva150.com

HVAC ECM motors 1 - YouTube

HVAC ECM motors 1 - YouTube

Premium Color Wiring Diagrams Get premium wiring diagrams that are available for your vehicle that are accessible Online right now, Purchase Full Set of complete wiring diagrams so you can have full Online access to everything you need including premium wiring diagrams, fuse and component locations, repair information, factory recall information and even TSB's (Technical Service Bulletins).

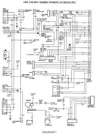
1989 Chevrolet GVan Electrical Manual1

1989 Chevrolet GVan Electrical Manual1

2003 S10 Wiring Diagram Pdf. Effectively read a wiring diagram, one offers to find out how the particular components within the system operate. For instance , if a module is powered up and it also sends out a signal of half the voltage in addition to the technician will not know this, he would think he provides a problem, as he would expect a ...

Replacing a Honeywell T40 thermostat. | DIYnot Forums

Replacing a Honeywell T40 thermostat. | DIYnot Forums

1998 Chevy S10 Wiring Diagram – 1998 chevrolet blazer wiring diagram, 1998 chevy s10 2.2 wiring diagram, 1998 chevy s10 alternator wiring diagram, Every electric arrangement consists of various unique pieces. Each part should be placed and linked to other parts in particular manner. If not, the arrangement will not work as it should be.

97 S10 Fuel Gauge Wiring Diagram. Getting fuel gauge to work on 5 3 swapped 97 sonoma s 10 forum wiring diagram blazer chevy forums buffer module i changed the sender in my 99 s10 pick up 4 installed upgraded harness as per pump works 1997 pulled tank a and removed sending unit because gas isn t working found voltages 1947 present chevrolet gmc ...

Wiring Diagrams For Cars Trucks Suvs Autozone. 2001 s 10 low beam headlight no longer looking for a wiring diagram my s10 pickup has problem where of at light switch 98 part 1 circuit 1996 2002 chevy suburban madcomics tail stop lights relay mod diagrams repair guide ac 68 72 factory the 250 and brake forum cars trucks night headlights do not come on how u git rid drl 2000 dimmer system 97 to ...

S10 Wiring Diagram Best Of. 1993 Chevy S10 Wiring Diagram - Wiring Diagram Collection. 87 S10 Wiring Diagram Pdf Wiring Auto Wiring Diagrams Instructions. 87 S10 Wiring Diagram Pdf Wiring Auto Wiring Diagrams Instructions. lashleym2010. L. Merle Lashley. Chevy pickups.

Trane model# TWG025A140B1 blowing fuse when throwing heat ...

Trane model# TWG025A140B1 blowing fuse when throwing heat ...

S-10 Wiring Diagram. Jump to Latest Follow 1 - 11 of 11 Posts. Z. Ztec · Registered. Joined Jan 3, 2001 · 618 Posts . Discussion Starter · #1 · Jun 19, 2003. Ok Im specifically looking for the wiper circuit on a 98. ...

Tecumseh HM80 Engine Part 6 - Flywheel Removal and ...

Tecumseh HM80 Engine Part 6 - Flywheel Removal and ...

Description : 2000 S10 Wiring Diagram - Best Wiring Diagram 2017 with regard to 2000 Chevy S10 Wiring Diagram, image size 800 X 575 px, and to view image details please click the image. Here is a picture gallery about 2000 chevy s10 wiring diagram complete with the description of the image, please find the image you need.

We collect a lot of pictures about 2000 Chevy S10 Wiring Diagram and finally we upload it on our website. Many good image inspirations on our internet are the most effective image selection for 2000 Chevy S10 Wiring Diagram. If you're happy with some pictures we provide, please visit us this web site again, do not forget to fairly share to ...

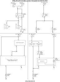
CHEVROLET S-10 BLAZER 1983-2005 VEHICLE WIRING

CHEVROLET S-10 BLAZER 1983-2005 VEHICLE WIRING

Diagram 1998 Chevy S 10 Wiring Full Version Hd Quality. Instrument Cer Chevrolet S10 Pickup 1998 System Wiring Diagrams Schémas De Câblage Pour Voitures. I Changed The Radio In Me 1998 Chevy S 10 When Did Think Shorted Out Sdometer Have Replaced Sd. Madcomics 1996 Chevy S10 Ignition Wiring Diagram. Ebook Databases.

Troubleshooting the Furnace Control Board IFC to Test if ...

Troubleshooting the Furnace Control Board IFC to Test if ...

S10 Wiring Harness Diagram. May 21, 2021 · Wiring Diagram. by Anna R. Higginbotham. s10 wiring harness diagram - You'll need a comprehensive, skilled, and easy to know Wiring Diagram. With this kind of an illustrative manual, you'll have the ability to troubleshoot, stop, and complete your projects without difficulty.

Wiring a Furnace Overview - Mobile Home Repair

Wiring a Furnace Overview - Mobile Home Repair

WIRING INFORMATION: 1984 Chevy S-10 Blazer WIRE WIRE COLOR WIRE LOCATION 12V CONSTANT RED Ignition Harness STARTER YELLOW OR PURPLE Ignition Harness IGNITION PINK Ignition Harness ACCESSORY ORANGE Ignition Harness POWER DOOR LOCK (5-wire reverse polarity) LT. BLUE Harness Coming Into Vehicle From Driver’s

Replacing my old door entry phone | DIYnot Forums

Replacing my old door entry phone | DIYnot Forums

Chevrolet S10 Wiring Diagram. June 29, 2020 · Wiring Diagram. by Anna R. Higginbotham. chevrolet s10 wiring diagram - You will want an extensive, skilled, and easy to understand Wiring Diagram. With this sort of an illustrative guide, you will have the ability to troubleshoot, prevent, and complete your tasks without difficulty.

Sunburst Diagram | Data Viz Project

Sunburst Diagram | Data Viz Project

Microswitch | FRC Electrical Bible

Microswitch | FRC Electrical Bible

Honeywell HE360 not working--connected to Goodman GMV95 ...

Honeywell HE360 not working--connected to Goodman GMV95 ...

S10 Ignition Switch Wiring Diagram - Electrical Wiring Diagram Guide

S10 Ignition Switch Wiring Diagram - Electrical Wiring Diagram Guide

Matrix Diagram (Y-Shaped) | Data Viz Project

Matrix Diagram (Y-Shaped) | Data Viz Project

OHAI: Open Hardware Assembly Instructions

OHAI: Open Hardware Assembly Instructions

Wire Diagram/Pinouts Needed | S-10 Forum

Wire Diagram/Pinouts Needed | S-10 Forum

True GDM-26 SSR Wiring with full compressor take over ...

True GDM-26 SSR Wiring with full compressor take over ...

1990 Chevy S-10 Pickup and S10 Blazer Wiring Diagram Manual Electrical Schematic | eBay

1990 Chevy S-10 Pickup and S10 Blazer Wiring Diagram Manual Electrical Schematic | eBay

Do you have wiring diagram for a bose system from a envoy ...

Do you have wiring diagram for a bose system from a envoy ...

Pin on Chevy pickups

Pin on Chevy pickups

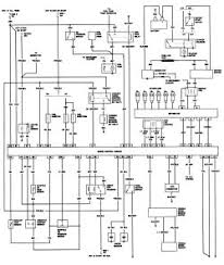
1989 Chevrolet S10 Electrical Manual

1989 Chevrolet S10 Electrical Manual

Tractor 1986 308-8 Wiring.pdf - 1985-1990 - RedSquare ...

Tractor 1986 308-8 Wiring.pdf - 1985-1990 - RedSquare ...

82' S10 Column wiring diagram? | S-10 Forum

82' S10 Column wiring diagram? | S-10 Forum

120v conversion for Delta Contractor's Saw II (36-360 ...

120v conversion for Delta Contractor's Saw II (36-360 ...

92_fuel_pump

92_fuel_pump

Wiring----Color Codes----- - Chevrolet Forum - Chevy Enthusiasts Forums

Wiring----Color Codes----- - Chevrolet Forum - Chevy Enthusiasts Forums

WIRING DIAGRAMS

WIRING DIAGRAMS

I need the wiring harness diagram for the computer to engine compartment for my 1986 chevy s10 pickup. Do you know where

I need the wiring harness diagram for the computer to engine compartment for my 1986 chevy s10 pickup. Do you know where

AC/DC: Battery Power Conversion for AC Speakers (Part 1)

AC/DC: Battery Power Conversion for AC Speakers (Part 1)

Comments

Popular posts from this blog

43 metamorphic facies diagram

39 parallelogram venn diagram

38 wigger diagram explained