42 2002 f150 wiring diagram

Exact Title:: "2002 F-150 Wiring Diagrams" Wiring Diagrams?: Included. Authenticity: This item is original. Dimensions: 8.50 x 11.00 x 0.88 inches. OEM Part Number: FCS1226302. Buy now to own the best electrical manual for your Ford. You can be the first one to write a review. Write a Review ... 2002 Ford F150 Wiring Diagram 5.4l. Ford F Pick Up Truck OEM Wiring Diagrams Electrical Service Manual . , Ford, F, King Ranch Crew Cab Pickup 4-Door, L Cu. AutoZone Repair Guide for your Wiring Diagrams Overall Electrical Wiring Diagram Overall Electrical Wiring Diagram 1.

2002 f150 fuse box diagram - welcome to my internet site, this blog post will certainly review regarding 2002 f150 fuse box diagram. We have collected several images, with any luck this picture works for you, and help you in locating the solution you are looking for. Description : Ford F150 Fuse Box Diagram - Ford

2002 f150 wiring diagram

2002 f150 wiring diagram

May 01, 2020 · 2002 Ford F150 Wiring Diagram from circuitswiring.com. Print the wiring diagram off plus use highlighters to trace the signal. When you make use of your finger or perhaps the actual circuit with your eyes, it is easy to mistrace the circuit. 1 trick that We 2 to printing a similar wiring plan off twice. 2002 F150 Starter Wiring Diagram. 01 5 4l f150 won t crank start unless starter solenoid is jumped f150online forums how to put on neutral safety switch ford forum community of truck fans f 150 replace trucks i have a 2000 engine just new relay and it when touch the battery cable problem 1998 4x4 w 4 6l triton yesterday my wife got into our ... Go to autozone.com and register they have good wiring diagrams for your truck.What I saw was all the relays going to ground so you should have 12V coming off the ignition switch. Read full answer Jun 01, 2009 • 1990 Ford F150

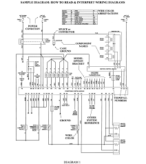
2002 f150 wiring diagram. 2000 Ford F150 Wiring Diagram Print the wiring diagram off plus use highlighters to trace the signal. When you make use of your finger or perhaps the actual circuit with your eyes, it is easy to mistrace the circuit. 1 trick that We 2 to printing a similar wiring plan off twice. May 01, 2020 · 2002 Ford F150 Wiring Diagram To properly read a cabling diagram, one offers to find out how the particular components inside the system operate. For instance , in case a module is usually powered up and it also sends out the signal of fifty percent the voltage in addition to the technician does not know this, he'd think he has a challenge, as ... Aug 23, 2019 · 2002 ford f 150 wiring diagram 90 1 wiring diagram fascinating. Architectural wiring diagrams produce an effect the approximate locations and interconnections of receptacles, lighting, and remaining electrical services in a building. Interconnecting wire routes may be shown approximately, where particular receptacles or fixtures must be upon a common circuit. Factory Radio Wiring Harness Cut Ford F150 Forum Community Of Truck Fans. 2002 ford f 150 turn signal wiring stereo diagram for f150 5 4l 4x4 transmission pickup 1987 truck headlight switch installation parts fuel pump circuit technical drawings and how to power windows 1973 1979 diagrams full f150online forums trailer factory radio harness cut interior lights help mirrors rear window defrost ...

Apr 07, 2020 · 2002 Ford F150 Fuel Pump Wiring Diagram from easyautodiagnostics.com. To properly read a cabling diagram, one offers to find out how the particular components inside the system operate. For instance , in case a module is usually powered up and it also sends out the signal of fifty percent the voltage in addition to the technician does not know ... Go to autozone.com and register they have good wiring diagrams for your truck.What I saw was all the relays going to ground so you should have 12V coming off the ignition switch. Read full answer Jun 01, 2009 • 1990 Ford F150 2002 F150 Starter Wiring Diagram. 01 5 4l f150 won t crank start unless starter solenoid is jumped f150online forums how to put on neutral safety switch ford forum community of truck fans f 150 replace trucks i have a 2000 engine just new relay and it when touch the battery cable problem 1998 4x4 w 4 6l triton yesterday my wife got into our ... May 01, 2020 · 2002 Ford F150 Wiring Diagram from circuitswiring.com. Print the wiring diagram off plus use highlighters to trace the signal. When you make use of your finger or perhaps the actual circuit with your eyes, it is easy to mistrace the circuit. 1 trick that We 2 to printing a similar wiring plan off twice.

Ford Truck Technical Drawings and Schematics - Section H - Wiring Diagrams

Ford Truck Technical Drawings and Schematics - Section H - Wiring Diagrams

DIGRAM COIL F150 2002 4.2 (Ford F-150) - CarGurus

DIGRAM COIL F150 2002 4.2 (Ford F-150) - CarGurus

4 Wire Oxygen Sensor Diagram

4 Wire Oxygen Sensor Diagram

HELP!! Power mirrors wiring diagram needed! - F150online Forums

HELP!! Power mirrors wiring diagram needed! - F150online Forums

2001 ford F150 Wiring Diagram | F150, Diagram, Trailer wiring diagram

2001 ford F150 Wiring Diagram | F150, Diagram, Trailer wiring diagram

[LV_1462] Ford Explorer Pcm Wiring Diagram Schematic Wiring

[LV_1462] Ford Explorer Pcm Wiring Diagram Schematic Wiring

| Repair Guides | Body, Lock & Security System (2004 ...

| Repair Guides | Body, Lock & Security System (2004 ...

Ford Wiring Diagrams Free Download | Carmanualshub.com

Ford Wiring Diagrams Free Download | Carmanualshub.com

How To Ford F150 Stereo Wiring Diagram - My Pro Street

How To Ford F150 Stereo Wiring Diagram - My Pro Street

2004 Ford F-150 Wiring Diagram Manual Original

2004 Ford F-150 Wiring Diagram Manual Original

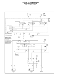
POWER WINDOWS – Ford Pickup F150 2002 – SYSTEM WIRING DIAGRAMS – Schaltpläne für Autos

POWER WINDOWS – Ford Pickup F150 2002 – SYSTEM WIRING DIAGRAMS – Schaltpläne für Autos

How To Install a Tachometer in a Ford F150

How To Install a Tachometer in a Ford F150

Wiring Diagrams for Cars, Trucks, & SUVs - AutoZone

Wiring Diagrams for Cars, Trucks, & SUVs - AutoZone

Ignition System Wiring Diagram (1997-1999 4.6L Ford F150, F250)

Ignition System Wiring Diagram (1997-1999 4.6L Ford F150, F250)

SOLVED: Trailer plug wiring diagram for 2002 ford F150 - Fixya

SOLVED: Trailer plug wiring diagram for 2002 ford F150 - Fixya

2004 F150 5.4. All four Coil packs on right bank are dead. Left side... (Ford F-150) - CarGurus

2004 F150 5.4. All four Coil packs on right bank are dead. Left side... (Ford F-150) - CarGurus

Wiring diagram for 1987 Ford truck - Ford Truck Enthusiasts Forums

Wiring diagram for 1987 Ford truck - Ford Truck Enthusiasts Forums

2020 test for 2003 Ford F150 data bus communication network protocol in diagnosing NO Communication issues using the dlc diagram

2020 test for 2003 Ford F150 data bus communication network protocol in diagnosing NO Communication issues using the dlc diagram

Tomos Wiring Diagrams « Myrons Mopeds

Tomos Wiring Diagrams « Myrons Mopeds

Hunter Fan Light Kit Wiring

Hunter Fan Light Kit Wiring

TRANSMISSION – Ford Pickup F150 2002 – SYSTEM WIRING DIAGRAMS – Wiring diagrams for cars

TRANSMISSION – Ford Pickup F150 2002 – SYSTEM WIRING DIAGRAMS – Wiring diagrams for cars

Wiring Diagram Database - Best Free Open Source Diagram

Wiring Diagram Database - Best Free Open Source Diagram

2013 Ford F150 Fuse Box | Fuse Box And Wiring Diagram

2013 Ford F150 Fuse Box | Fuse Box And Wiring Diagram

How to: Repair Turn Signals on a '97-'03 F-150 - F150online Forums

How to: Repair Turn Signals on a '97-'03 F-150 - F150online Forums

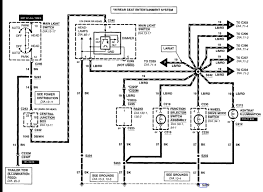
Wiring Diagram for rear window defrost circuit 2002-2005 EATC - Ford Truck Enthusiasts Forums

Wiring Diagram for rear window defrost circuit 2002-2005 EATC - Ford Truck Enthusiasts Forums

2002 Ford F-150 Installation Parts, harness, wires, kits, bluetooth, car play, tools, cameras wire diagrams Stereo

2002 Ford F-150 Installation Parts, harness, wires, kits, bluetooth, car play, tools, cameras wire diagrams Stereo

Ford F150 2002 Main Fuse Box/Block Circuit Breaker Diagram - CarFuseBox

Ford F150 2002 Main Fuse Box/Block Circuit Breaker Diagram - CarFuseBox

2020 test for 2003 Ford F150 data bus communication network protocol in diagnosing NO Communication issues using the dlc diagram

2020 test for 2003 Ford F150 data bus communication network protocol in diagnosing NO Communication issues using the dlc diagram

Fordf F150 Wiring Diagrams 1997 - 2014 - YouTube

Fordf F150 Wiring Diagrams 1997 - 2014 - YouTube

Wiring harness for brake controller...for 2002 7.3 - Ford ...

Wiring harness for brake controller...for 2002 7.3 - Ford ...

Power Window Solution!!!!!!!!!!!!!!!!! - Ford F150 Forum - Community of Ford Truck Fans

Power Window Solution!!!!!!!!!!!!!!!!! - Ford F150 Forum - Community of Ford Truck Fans

SOLVED: Trailer plug wiring diagram for 2002 ford F150 - Fixya

SOLVED: Trailer plug wiring diagram for 2002 ford F150 - Fixya

2010 Ford Escape Fuse Box Diagram — UNTPIKAPPS

2010 Ford Escape Fuse Box Diagram — UNTPIKAPPS

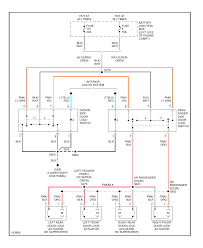
POWER DOOR LOCKS – Ford Pickup F150 2002 – SYSTEM WIRING DIAGRAMS – Schematy elektryczne dla samochodów

POWER DOOR LOCKS – Ford Pickup F150 2002 – SYSTEM WIRING DIAGRAMS – Schematy elektryczne dla samochodów

2007 Ford Expedition Fuse Box Diagram — UNTPIKAPPS

2007 Ford Expedition Fuse Box Diagram — UNTPIKAPPS

PATS Wiring Schematic - Ford F150 Forum - Community of Ford Truck Fans

PATS Wiring Schematic - Ford F150 Forum - Community of Ford Truck Fans

Ignition System Wiring Diagram (1997-1999 4.6L Ford F150, F250)

Ignition System Wiring Diagram (1997-1999 4.6L Ford F150, F250)

Comments

Popular posts from this blog

43 metamorphic facies diagram

39 parallelogram venn diagram

38 wigger diagram explained