Skip to main content

41 mtd mower deck diagram 42 inch

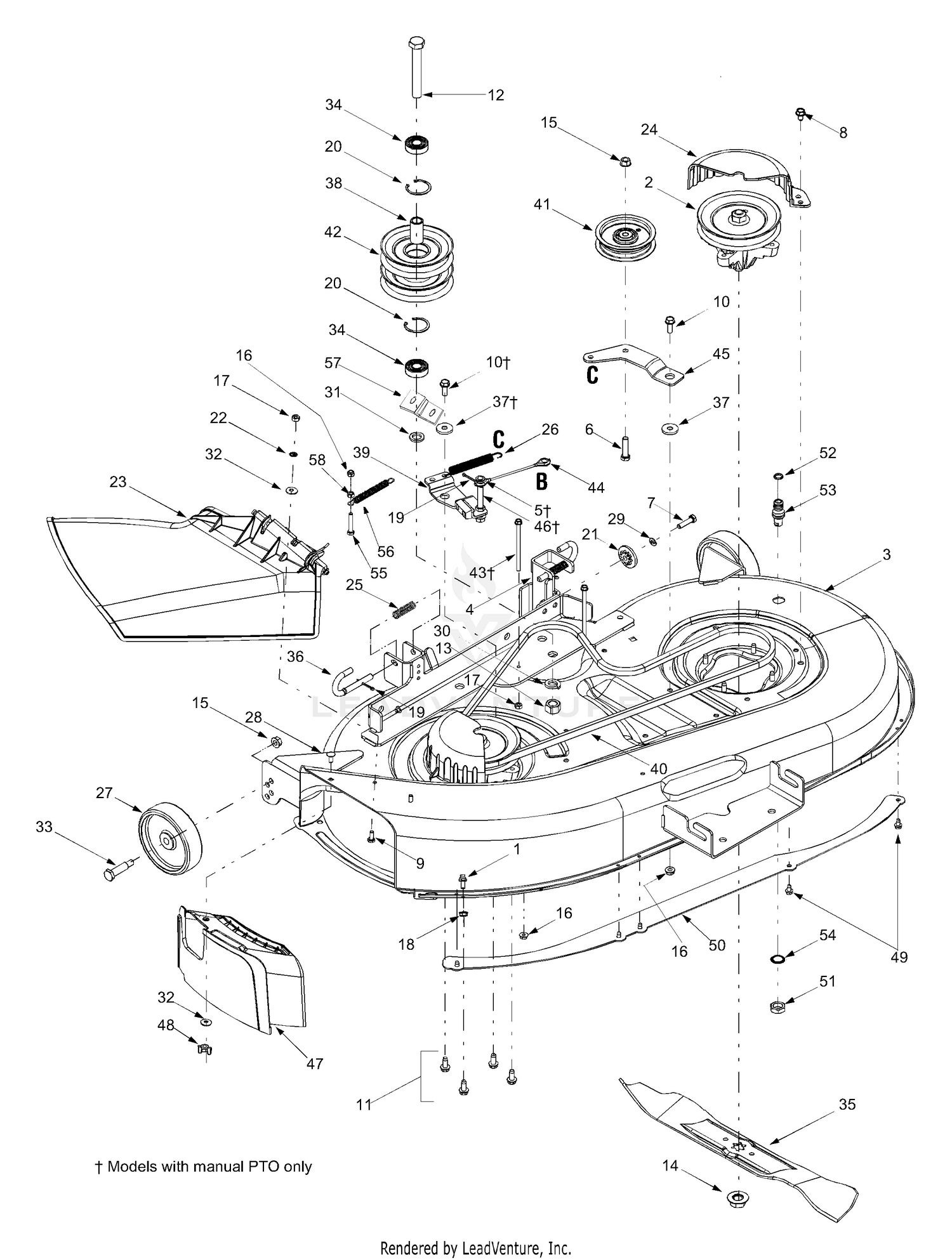
13AJ771G004 - MTD Gold Lawn Tractor (2009) Mower Deck 42 ... Mower Deck 42 Inch diagram and repair parts lookup for MTD 13AJ771G004 - MTD Gold Lawn Tractor (2009) 13AX795S004 - MTD Gold Lawn Tractor (2011) Mower Deck 42 ... Mower Deck 42-Inch diagram and repair parts lookup for MTD 13AX795S004 - MTD Gold Lawn Tractor (2011) ... Mower Deck 42-Inch Parts Diagram. Gold Lawn Tractor. Mower Deck 42-Inch Parts Diagram. Title; 1. MTD Part# 918-04822A. Spindle Asm, Pulley, 6.3 Dia (Superseded to 918-04822B) ...

Wiring Diagram Sears Lawnmower 42 Inch 14.5 Gold Craftsman 20 HP 50 Inch Garden Tractor Wiring Kit For Electric 3-Point Hitch .. Craftsman Gold, HP, 42" Deck, 6 Speed. Sears Craftsman LT 42" Lawn Mower Deck Parts Rebuild Kit Supersedes Part: 30 14 MTD riding mowers give you the power to care for your yard easily and efficiently. Riding Mower inch Deck Belt 2-in-1 Blade for inch Cutting Decks.

Mtd mower deck diagram 42 inch

Mtd mower deck diagram 42 inch

13AJ795S004 - MTD Gold Lawn Tractor (2010) Mower Deck 42 ... Mower Deck 42-Inch Parts Diagram 1 MTD Part# 918-04822A Spindle Assembly, Pulley, 6.3 Dia (Superseded to 918-04822B) In Stock, Qty 20+ $ 96.11 Add to Cart 0 2 MTD Part# 683-0254B-0691 Bracket Assembly, Deck, Hanger Lh Lt Usually ships in 5 to 10 days $ 35.13 Add to Cart 0 3 MTD Part# 983-04511 Brake Assembly, Deck, 42/46 In Stock, Qty 20+ $ 51.03 Prepaid Cards & Money Management App - Money Network Receive your pay or other funds electronically. Access your money with Money Network Checks and Prepaid Debit Card. Manage your money with our free Mobile App. Lawn Mower and Riding Mower Decks - MTD Parts MTD Parts has the original replacement mower deck for your push mower, riding mower or RZT Zero-turn mower. Available in all colors, sizes and widths, including 20-inch, 21-inch, 28-inch, 30-inch, 33-inch, 38-inch, 42-inch, 46-inch, 50-inch and 54-inch.

Mtd mower deck diagram 42 inch. RZT Mower 42-inch Deck Belt - CMXGZAM501081 | MTD Parts RZT Mower 42-inch Deck Belt. Item: CMXGZAM501081. Fits Craftsman Z510. Oil, heat and dirt resistant material provides superior durability. Made of specially engineered materials to provide flexibility to withstand continuous bending around pulleys. Uniform alignment of cords allows for even distribution for wear to maximize performance. Quantity. MTD 13AM775S000 (2015) Mower Deck 42-Inch Parts ... MTD 13AM775S000 (2015) Mower Deck 42-Inch Exploded View parts lookup by model. Complete exploded views of all the major manufacturers. It is EASY and FREE. Riding Mower 42-inch Deck Belt - 954-3073 | MTD Parts Riding Mower 42-inch Deck Belt. Item: 954-3073. Fits Cub Cadet Series 2000 tractors with a 42-in Deck. Quantity. Availability: In Stock. $51.82. Add to Cart. * This part replaces: 754-3073, 7543073, GW-7543073. Yardman 42 Inch Belt Diagram The mowing deck on your Yardman mower may require removal for several reasons, such as mowing deck belt replacement, service, cutting blade sharpening or replacement, or just for This is applicable only to and inch decks. MTD 13ANG Deck Assembly 42 inch Exploded View parts lookup by model. Complete exploded views of all the major manufacturers.

Mtd 42 Mower Deck Belt Diagram | vincegray2014 Mtd 42 Mower Deck Belt Diagram Free Download 2022 by keyon.conroy. Find The BestTemplates at vincegray2014. Riding Mower 42-inch Deck Belt - 490-501-M019 | MTD Parts Item: 490-501-M019. Fits Riding Mowers, Lawn Tractors and Residential Zero-Turn (RZT) mowers (2006 - 2008) For Cub Cadet, Troy-Bilt, Yard Machines, White Outdoor, Yard-Man, Bolens and MTD Gold. Fits Cub Cadet LT1040, LT1042, RZT42. GT2148 and 19A40015 48-inch Fabricated Deck Attachment. Fits Troy-Bilt Bronco, Super Bronco, Range Rider and RZT 42. Removing a 42 inch New Style MTD Mower Deck - YouTube In this video i show how to remove a 42" deck on MTD rider's with the side-lever engagement, this style of deck came out in 2005. the old style prior to this... MTD 13AX795S004 (2015) Mower Deck 42-Inch Parts ... MTD 13AX795S004 (2015) Mower Deck 42-Inch Exploded View parts lookup by model. Complete exploded views of all the major manufacturers. It is EASY and FREE.

MTD 13AN775S200 (2012) Mower Deck 42-Inch Parts Diagram MTD 13AN775S200 (2012) Mower Deck 42-Inch Exploded View parts lookup by model. Complete exploded views of all the major manufacturers. It is EASY and FREE. MTD 13AM772S055 (2010) Mower Deck 42-Inch Parts ... MTD 13AM772S055 (2010) Mower Deck 42-Inch Exploded View parts lookup by model. Complete exploded views of all the major manufacturers. It is EASY and FREE. Riding Mower 42-inch Deck Belt - 490-501-M044 | MTD Parts Item: 490-501-M044 Fits Riding Mowers and Lawn Tractors with a 42-inch Cutting Deck (2010 - ) For Troy-Bilt, MTD, Craftsman, MTD Gold, Bolens, White Outdoor, Yard Machines, Yard Man and Huskee Fits Cub Cadet LTX1040, LTX1042KH, LTX1042KW 13AX771S004 - MTD Gold Lawn Tractor (2012) Mower Deck 42 ... Mower Deck 42-Inch diagram and repair parts lookup for MTD 13AX771S004 - MTD Gold Lawn Tractor (2012) ... Mower Deck 42-Inch Parts Diagram. Gold Lawn Tractor. Mower Deck 42-Inch Parts Diagram. Title; 1. MTD Part# 918-04822A. Spindle Assembly, Pulley, 6.3 Dia (Superseded to 918-04822B) ...

42 Mtd Mower Deck Top Sellers, UP TO 57% OFF | www.bel ...

42 Mtd Mower Deck Top Sellers, UP TO 57% OFF | www.bel ...

MTD 13AO772S055 (2011) Mower Deck 42-Inch Parts ... MTD 13AO772S055 (2011) Mower Deck 42-Inch Exploded View parts lookup by model. Complete exploded views of all the major manufacturers. It is EASY and FREE.

Amazon.com : MTD Replacement Parts 983-0198G-0637 42-inch ...

Amazon.com : MTD Replacement Parts 983-0198G-0637 42-inch ...

MTD 13AJ775G059 (2009) Mower Deck 42 Inch Parts ... MTD 13AJ775G059 (2009) Mower Deck 42 Inch Exploded View parts lookup by model. Complete exploded views of all the major manufacturers. It is EASY and FREE.

How to change Upper drive belt (Mowing deck) on MTD mower?

How to change Upper drive belt (Mowing deck) on MTD mower?

MTD 13AX795S004 (2013) Mower Deck 42-Inch Parts ... MTD 13AX795S004 (2013) Mower Deck 42-Inch Exploded View parts lookup by model. Complete exploded views of all the major manufacturers. It is EASY and FREE.

MTD 13AL608G731 (2004) Deck Assembly 42 Inch

MTD 13AL608G731 (2004) Deck Assembly 42 Inch

Riding Mower 42-inch Deck Belt - MTD Parts Shop by Parts Diagram; Login; Shop By Part Type Belts Riding Mower 42-inch Deck Belt. Item: CMXGZAM501044. Riding Mower 42-inch Deck Belt. Item: CMXGZAM501044. Fits Riding Mowers and Lawn Tractors with a 42-inch Cutting Deck (2010 - ) Fits Craftsman PYT9000, T1000, T1100, T1200, T1300, T1400, T1800, T105, T110, T130, T2100, T3000, LT1500 ...

MTD Original Equipment 38-inch Mower Deck Belt 954-04062, 548180

MTD Original Equipment 38-inch Mower Deck Belt 954-04062, 548180

MTD 13AM775S000 (2014) Mower Deck 42-Inch Parts ... MTD 13AM775S000 (2014) Mower Deck 42-Inch Exploded View parts lookup by model. Complete exploded views of all the major manufacturers. It is EASY and FREE.

MTD 13W2775S031 (LT4200) (2014) Mower Deck 42-Inch

MTD 13W2775S031 (LT4200) (2014) Mower Deck 42-Inch

Lawn Mower and Riding Mower Decks | MTD Parts CA MTD Parts has the original replacement mower deck for your push mower, riding mower or RZT Zero-turn mower. Available in all colors, sizes and widths, including 20-inch, 21-inch, 28-inch, 30-inch, 33-inch, 38-inch, 42-inch, 46-inch, 50-inch and 54-inch.

MTD 22/46 13AT77KT308 (2014) Mowing deck T (46/117cm) to ...

MTD 22/46 13AT77KT308 (2014) Mowing deck T (46/117cm) to ...

42-inch Mower Deck Belt | MTD 954-04060c - ProPartsDirect MTD SKU: 954-04060c 42-inch Mower Deck Belt. Used on MTD Mowing equipment. Shop now for OEM MTD Belts In-stock and ready to ship.

How to change your Riding Mower's Deck Belt on your MTD ...

How to change your Riding Mower's Deck Belt on your MTD ...

Amazon.com: mtd 42 inch mower deck - Replacement Parts ... Yermax 754-04060B GX10851 42-Inch Riding Mower Deck Belt for MTD 754-04060 754-04060A 954-04060 954-04060A 954-04060B 954-04060C SPM201671081. 4.4 out of 5 stars 87. $13.99 $ 13. 99. Get it as soon as Tue, Mar 29. FREE Shipping on orders over $25 shipped by Amazon.

MTD Gold 13AX795S004 (2011) Lawn Tractors | PartsWarehouse

MTD Gold 13AX795S004 (2011) Lawn Tractors | PartsWarehouse

MTD 13WV771S031 (2011) Parts Diagram for Mower Deck 42-Inch MTD 13WV771S031 (2011) Mower Deck 42-Inch Exploded View parts lookup by model. Complete exploded views of all the major manufacturers. It is EASY and FREE

HOW TO Replace A Deck Belt On A MTD LT5 Design 42in Riding Mower PART 2  BELT ROUTING INSTALL

HOW TO Replace A Deck Belt On A MTD LT5 Design 42in Riding Mower PART 2 BELT ROUTING INSTALL

42" Deck Shell - 983-0198G | MTD Parts 42" Deck Shell. Item: 983-0198G. 42-Inch Cutting Deck Weldment (shell) for Lawn Tractors and Riding Mowers (1999 - 2005) For Cub Cadet, Troy-Bilt, MTD, Craftsman, Yard Machines, Yard-Man and Huskee. Fits Cub Cadet 1600, 1170. Fits Troy-Bilt Bronco, Super Bronco, LT-1742, LT-1842. Fits White Outdoor ZTT-1850,

Buy Deck Shells, Mower Housings & Complete Decks Online

Buy Deck Shells, Mower Housings & Complete Decks Online

PDF Mtd Yardman Manual 42 Inch Cut - autos.augusta.com Displaying Deck Assembly 42 inch parts for the MTD 13ANG - Yard-Man Lawn Tractor (Walmart) Browse all parts by section for this model Search by part description. Mowing deck diagram for a MTD Yardman 42" deck model# 13AV I need the detailed diagram to install a idler pulley. I need a downloadable diagram for the 42 inch deck on a.

42-inch Mower Deck Belt

42-inch Mower Deck Belt

13AX795S004 - MTD Gold Lawn Tractor (2013) Mower Deck 42 ... Mower Deck 42-Inch Parts Diagram 1 MTD Part# 918-04822A Spindle Ass y, Pulley, 6.3 Dia (Superseded to 918-04822B) In Stock, Qty 20+ $ 96.11 Add to Cart 0 2 MTD Part# 683-0254B-0691 Bracket Ass y, Deck, Hanger LH Usually ships in 5 to 10 days $ 35.13 Add to Cart 0 3 MTD Part# 983-04511 Brake Ass y, Deck, 42/46 In Stock, Qty 20+ $ 51.03 Add to Cart

MTD 13AJ795S004 (2010) Parts Diagram for Mower Deck 42-Inch

MTD 13AJ795S004 (2010) Parts Diagram for Mower Deck 42-Inch

13AM772S000 - Yard Machines Lawn Tractor (2011) Mower Deck ... Mower Deck 42-Inch diagram and repair parts lookup for Yard Machines 13AM772S000 - Yard Machines Lawn Tractor (2011) The Right Parts, Shipped Fast! ... Cable Engage Bracket - MTD/TROY-BILT RED (0638) In Stock, only 1 left! $ $ 7.29. Add to Cart 0. MTD Part# 783-06243-0606.

42 Mtd Mower Deck Top Sellers, UP TO 57% OFF | www.bel ...

42 Mtd Mower Deck Top Sellers, UP TO 57% OFF | www.bel ...

Download Repair Manuals, Service Manual, Owner Manuals Generator, Lawn Mower, Chainsaw. Tradebit Reviews. Tradebit is the worlds largest marketplace for digital files, with over 2.5 million satisfied customers and millions of digital products. Online for over 12 years, Tradebit is the best place to find files like music, video tutorials, repair manuals, and more.

42 Mtd Mower Deck Top Sellers, UP TO 57% OFF | www.bel ...

42 Mtd Mower Deck Top Sellers, UP TO 57% OFF | www.bel ...

MTD 13AM772S000 (2011) Mower Deck 42-Inch Parts ... MTD 13AM772S000 (2011) Mower Deck 42-Inch Exploded View parts lookup by model. Complete exploded views of all the major manufacturers. It is EASY and FREE.

MTD 13BC762F000 (2015) Parts Diagram for Mower Deck 38-Inch

MTD 13BC762F000 (2015) Parts Diagram for Mower Deck 38-Inch

Yardman 42 Inch Deck Belt Diagram MTD 13ANG Deck Assembly 42 inch Exploded View parts lookup by model. Complete exploded views of all the major manufacturers. It is EASY.Dec 01, · Mowing deck diagram for a MTD Yardman 42" deck model# 13AV I need the detailed diagram to install a idler pulley. I need a downloadable diagram for the 42 inch deck on a.

Buy MTD OEM-754-04060 42-Inch Deck Drive Belt for Tractors ...

Buy MTD OEM-754-04060 42-Inch Deck Drive Belt for Tractors ...

13AO772G055 - Yard-Man Lawn Tractor (2008) (Walmart) Deck ... Deck 42 Inch diagram and repair parts lookup for Yard-Man 13AO772G055 - Yard-Man Lawn Tractor (2008) (Walmart) The Right Parts, Shipped Fast! ... Belt Cover, 6.00 Dia - MTD/TROY-BILT RED (0638) Usually ships in 5 to 10 days $ $ 17.44. Add to Cart 0. MTD Part# 783-04327B-0665.

Mähwerk D (32

Mähwerk D (32"/81cm), 136C452D643 (1996), TD 4115 ...

MTD 38" to 42" Deck Parts (2 Blades ... - Lawnmower Pros MTD 38 Inch to 42 Inch Deck Parts (2 Blades) available online and ready to ship direct to your door from an Authorized MTD Dealer. Free tech support. 365 day returns. Worldwide shipping.

MTD Replacement Parts 983-0198G-0637 42-inch Deck Shell ...

MTD Replacement Parts 983-0198G-0637 42-inch Deck Shell ...

Lawn Mower and Riding Mower Decks - MTD Parts MTD Parts has the original replacement mower deck for your push mower, riding mower or RZT Zero-turn mower. Available in all colors, sizes and widths, including 20-inch, 21-inch, 28-inch, 30-inch, 33-inch, 38-inch, 42-inch, 46-inch, 50-inch and 54-inch.

13am772s055 | Store www.pegasusaerogroup.com

13am772s055 | Store www.pegasusaerogroup.com

Prepaid Cards & Money Management App - Money Network Receive your pay or other funds electronically. Access your money with Money Network Checks and Prepaid Debit Card. Manage your money with our free Mobile App.

Yard Machine Mower Deck Installation Sale Online, UP TO 52 ...

Yard Machine Mower Deck Installation Sale Online, UP TO 52 ...

13AJ795S004 - MTD Gold Lawn Tractor (2010) Mower Deck 42 ... Mower Deck 42-Inch Parts Diagram 1 MTD Part# 918-04822A Spindle Assembly, Pulley, 6.3 Dia (Superseded to 918-04822B) In Stock, Qty 20+ $ 96.11 Add to Cart 0 2 MTD Part# 683-0254B-0691 Bracket Assembly, Deck, Hanger Lh Lt Usually ships in 5 to 10 days $ 35.13 Add to Cart 0 3 MTD Part# 983-04511 Brake Assembly, Deck, 42/46 In Stock, Qty 20+ $ 51.03

need a diagram for the huskee lt 4600 lawn mower | Click ...

need a diagram for the huskee lt 4600 lawn mower | Click ...

MTD Gold 13AX795S004 (2011) Lawn Tractors | PartsWarehouse

MTD Gold 13AX795S004 (2011) Lawn Tractors | PartsWarehouse

8 Mtd mower ideas | mower, riding mower, yard machine

8 Mtd mower ideas | mower, riding mower, yard machine

MTD decks by crigby | Deck, Yard machine, Lawn mower belt

MTD decks by crigby | Deck, Yard machine, Lawn mower belt

Outdoor Power Equipment Parts: Use the Part Finder Tool from ...

Outdoor Power Equipment Parts: Use the Part Finder Tool from ...

MTD 132-736G190 LT-145 (1992) Parts Diagram for 42-Inch Mower ...

MTD 132-736G190 LT-145 (1992) Parts Diagram for 42-Inch Mower ...

Columbia 111/960 N 139-6370 (1989) Mowing deck F (38/96cm ...

Columbia 111/960 N 139-6370 (1989) Mowing deck F (38/96cm ...

mtd mower belts

mtd mower belts

MTD 132-686G190 LT-14 (1992) Parts Diagram for 42-Inch Mower Deck

MTD 132-686G190 LT-14 (1992) Parts Diagram for 42-Inch Mower Deck

mtd 13an772g308 lawn tractor belt diagram ask me help | Lawn ...

mtd 13an772g308 lawn tractor belt diagram ask me help | Lawn ...

mtd deck drive belt for riding mowers > OFF-70%

mtd deck drive belt for riding mowers > OFF-70%

I need the diagram for a mtd yardmachine 42

I need the diagram for a mtd yardmachine 42" belt routing. I ...

Troy-Bilt 17ARCACS011 Mustang 42 XP (2015) Mower Deck 42-Inch ...

Troy-Bilt 17ARCACS011 Mustang 42 XP (2015) Mower Deck 42-Inch ...

42-inch Lawn Mower Belt for Select Lawn Mowers

42-inch Lawn Mower Belt for Select Lawn Mowers

MTD Canada 13A278TS500 (2014) Mower Deck 42-Inch | Arn's ...

MTD Canada 13A278TS500 (2014) Mower Deck 42-Inch | Arn's ...

Where do I attach the cutting bed spring to the tractor on ...

Where do I attach the cutting bed spring to the tractor on ...

Murray 17AC2ACS058 - Murray Zero-Turn Mower (2012) Mower Deck ...

Murray 17AC2ACS058 - Murray Zero-Turn Mower (2012) Mower Deck ...

Mtd 42 Inch Deck Clearance Sale, UP TO 60% OFF | www.bel ...

Mtd 42 Inch Deck Clearance Sale, UP TO 60% OFF | www.bel ...

Pony 42T Troy-Bilt Riding Lawn Mower - 13A277BS066 | Troy-Bilt US

Pony 42T Troy-Bilt Riding Lawn Mower - 13A277BS066 | Troy-Bilt US

How to replace the deck belt on an MTD riding mower - YouTube

How to replace the deck belt on an MTD riding mower - YouTube

Comments

Popular posts from this blog

43 metamorphic facies diagram

39 parallelogram venn diagram

38 wigger diagram explained